legines.com
súpravy na redukciu ocele 2510

súpravy na redukciu ocele 2510

Zahrnúť:
Redukcia šesťhrannej bradavky: 1 ks;
Redukčný adaptér: 1 ks;

Karmy potrubia sú komponenty používané na pripojenie, ukončenie, riadenie toku a zmenu smeru potrubia v mnohých rôznych odvetviach. Pri nákupe potrubia zvážte aplikáciu, pretože to ovplyvní typ materiálu, tvar, veľkosť a požadovanú trvanlivosť. Kovania sú k dispozícii závitom alebo nekrúteným, v mnohých tvaroch, štýloch, veľkostiach a plánoch (hrúbka steny potrubia).

Typická aplikácia:
Mastnota, chladenie, prístrojové a hydraulické systémy.

Výhody:
Dryseal Pipe Threads (BSPT (R)/BSP (G) .large rozsah veľkostí a konfigurácií

Kontaktujte nás

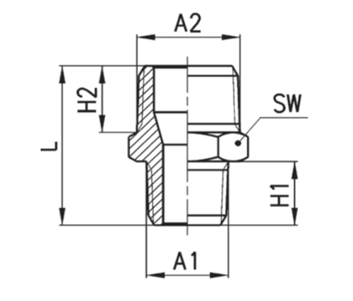
Špecifikácie

Časť#

Veľkosť vlákna A1 × A2

S.W

L

H

2510-Ab

R1/8 × R1/4

14

23.5

7.5

2510-AC

R1/8 × 3/8 17 24.0 7.5

2510-BC

R1/4 × R3/8

17

27.5

11.0

2510-BD

R1/4 × R1/2

22

30.5

11.0

2510-CD

R3/8 × R1.2

22

31.0

11.5

2510-de

R1/2 × R3/4

27

37.5

14.0

Kontakt s nami

O Ligy

Legy Industrial Machinery Inc.

Ako profesionálni výrobcovia mosadze v Číne a tlačenie dodávateľov tvaroviek. Prijíma úplné obrábanie CNC a vlastní oblasť dielne s rozlohou 3600 metrov štvorcových. 45 automatických strojových strojov, 35 poloautomatických strojových strojov CNC, ako aj distribútorov, ktorí sa stali dôležitými dodávateľmi pre výrobu amerických štandardných mosadzných častí v Číne ...
  • ctiť
  • ctiť

Pokyny A novinky