legines.com
69# kompresia 90 ° mosadzný lakeť

69# kompresia 90 ° mosadzný lakeť

Aplikácie: trhy:
■■ Vzduchové linky ■■ Priemyselný
■■ Mazanie ■■ Balenie
■■ Chladiace čiar ■■ Pneumatický
■■ Priemysel ■■ Tlač
■■ Strojové zariadenie
■■ Kompresory
■■ Prenos tekutín

Vlastnosti produktu:
■■ Spĺňa funkčné požiadavky SAE J-512
■■ UL uvedené pre horľavú tekutinu
■■ K dispozícii je mosadzný alebo acetálny rukáv
■■ Žiadna príprava trubice
■■ Kované a extrudované tvary

Referenčná časť č.:
69 -169 -S69 -69a

Kontaktujte nás

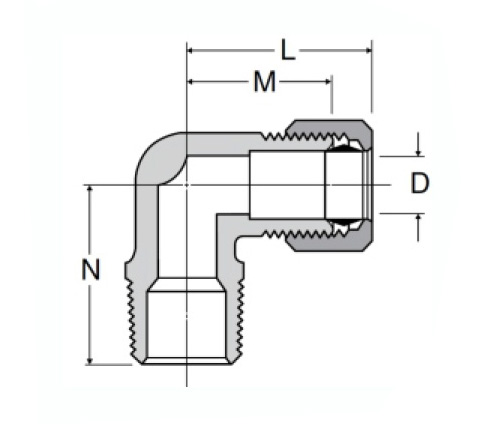
Špecifikácie

Časť# Trubica o.d*samec nptf N M
69-2a 1/8*1/8 .68 .59
69-3a 3/16*1/8 .68 .62
69-3b 3/16*1/4 .85 .61
69-4a 1/4*1/8 .75 .62
69-4b 1/4*1/4 .91 .65
69-4C 1/4*3/8 .93 .72
69-4d 1/4*1/2 1.11 .82
69-5A 5/16*1/8 .71 .67
69-5b 5/16*1/4 .82 .66
69-5 ° C 5/16*3/8 .93 .81
69-5D 5/16*1/2 1.12 .82
69-6A 3/8*1/8 .72 .72
69-6b 3/8*1/4 .88 .75
69-6c 3/8*3/8 .93 .81
69-6d 3/8*1/2 1.18 .87
69-8b 1/2*1/4 .97 .88
69-8c 1/2*3/8 1.06 .88
69-8d 1/2*1/2 1.13 .94
69-8E 1/2*3/4 1.25 1.16
69-10c 5/8*3/8 1.25 1.06
69-10D 5/8*1/2 1.31 1.06
69-12d 3/4*1/2 1.31 1.19
69-12e 3/4*3/4 1.38 1.19

*Ref.Sae č. 060202 ba

Náš mosadzný a acetálny 90 ° mužský lakť je navrhnutý podľa SAE J-512. Spĺňa funkčné požiadavky tejto špecifikácie s kompresným kĺbom a vytvoreným koncom. Mosadzná alebo acetálna rukáv je zabudovaný do opracovanej príruby, ktorá poskytuje tuhosť, ale umožňuje vloženie trubice (-ov) bez prípravy.
90 ° Mužská mosadzná lakťová armatúra je navrhnutá na spájanie hadičiek bez potreby prípravy trubice. Toto univerzálne vybavenie sa môže použiť s inými podobnými tvarovkami na vytváranie komplexných potrubných systémov, ktoré sa dajú ľahko zostaviť a udržiavať.

Kontakt s nami

O Ligy

Legy Industrial Machinery Inc.

Ako profesionálni výrobcovia mosadze v Číne a tlačenie dodávateľov tvaroviek. Prijíma úplné obrábanie CNC a vlastní oblasť dielne s rozlohou 3600 metrov štvorcových. 45 automatických strojových strojov, 35 poloautomatických strojových strojov CNC, ako aj distribútorov, ktorí sa stali dôležitými dodávateľmi pre výrobu amerických štandardných mosadzných častí v Číne ...
  • ctiť
  • ctiť

Pokyny A novinky