legines.com
100 mosadzná matica s kovadľnou trubicou

100 mosadzná matica s kovadľnou trubicou

Vlastnosti produktu:
■■ Všetka mosadzná konštrukcia
■■ UL uvedené pre horľavú tekutinu a plyn
■■ Spĺňa funkčné požiadavky SAE J512
■■ Oceľová matica pre hospodárstvo

Trhy: Aplikácie:
■■ Klimatizácia ■■ Chladivo
■■ Morský ■■ Brzdové vedenia
■■ Mobilný ■■ Palivové vedenia
■■ Motory

Kompatibilné hadičky:
■■ Meď
■■ Mosadz
■■ Hliník
■■ Zváraná oceľová hydraulická hadička

Referenčná časť č.:
2100 41if -100 -41ib

Kontaktujte nás

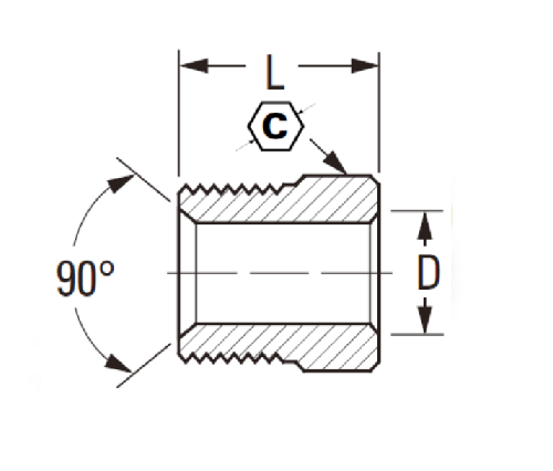
Špecifikácie

Časť#

Trubica O.D

C

D

L

100-3

3/16 3/8 .196

.56

100-4

1/4 7/16 .259 .56

100-5

5/16 1/2 .321 .62

100-6

3/8 5/8 .384 .66

100-8

1/2

3/4

.508

.74

*Ref.Sae č. 040110 BA

Robustná a ekonomická, toto obrátené erupcie je vyrobené z mosadze. Karba obsahuje oceľovú maticu pre bezpečnosť a môže sa použiť s meďou, mosadzou alebo hliníkom. Spĺňa všetky funkčné požiadavky SAE J512.
Konštrukcia All Brass, 100% ASME B16.28, SAE J512 a SAE J5195.0 Kompresorové armatúry sú navrhnuté na použitie vo vysokoteplotných aplikáciách pary a vody. Vyhodí kompatibilitu potrubia, môže byť pripojená k akejkoľvek oceľovej hadičke alebo potrubiu až do 1 palec (25 milimetrov).
Táto inverzná matica s kovárnou trubicou, bežne známa ako spojka, je navrhnutá tak, aby spájala dva kusy hadičky v rovnakej rovine. Karba používa oceľovú maticu s erupálnym koncom, ktorá sa zmestí do ženskej erupcie na druhý koniec trubice. Tieto armatúry sa vo veľkej miere používajú v množstve aplikácií od klimatizácie po morské a mobilné dieselové motory.
Ťažké povinnosti - Tieto invertové erupcie sú vyrábané výlučne z mosadze a sú špeciálne navrhnuté tak, aby sa používali buď s meďou alebo hliníkovou hadicou. Každé vybavenie je úplne nastaviteľné a výstavba ťažkej funkcie zaisťuje trvanlivosť počas používania.

Kontakt s nami

O Ligy

Legy Industrial Machinery Inc.

Ako profesionálni výrobcovia mosadze v Číne a tlačenie dodávateľov tvaroviek. Prijíma úplné obrábanie CNC a vlastní oblasť dielne s rozlohou 3600 metrov štvorcových. 45 automatických strojových strojov, 35 poloautomatických strojových strojov CNC, ako aj distribútorov, ktorí sa stali dôležitými dodávateľmi pre výrobu amerických štandardných mosadzných častí v Číne ...
  • ctiť
  • ctiť

Pokyny A novinky