legines.com
3400# mosadzné potrubie

3400# mosadzné potrubie

Vlastnosti produktu: Trhy:
■■ Všetka mosadzná konštrukcia ■■ Priemyselný
■■ Spĺňa funkčné požiadavky ■■ Výstavba
SAE J530 a SAE J531 ■■ Ťažký nákladný automobil
■■ Vlákna vyrobené podľa drysálnych štandardov ■■ Mobilný
■■ K dispozícii sú výkyvy aj výpisy ■■ Továreň/automatizácia procesu

Aplikácie: kompatibilné hadičky:
■■ Vzduchové linky ■■ Meď
■■ Vodná linka ■■ Mosadz
■■ Chladiace čiar ■■ Železná potrubia

Špecifikácie:
Rozsah tlaku až do 1 000 psi
Teplotný rozsah -65 ° až 250 ° F

Typická aplikácia:
Mastnota, palivá, LP a zemný plyn, chladenie. Instrumentácia a hydraulické systémy

Zhodu:
Spĺňa špecifikácie a normy ASA, ASME a SAE.

Referenčná časť č.:
2202p -3400 -304 -115 -202 -116a -28156 až 2816

Kontaktujte nás

Špecifikácie

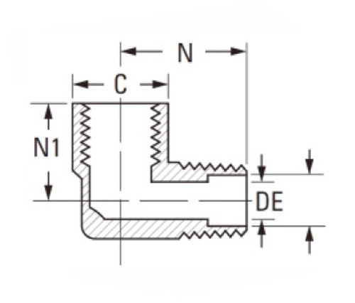
Časť# Veľkosť vlákna C D N N1
3400-AA 1/8 × 1/8 9/16 .219 .66 .47
3400-bb 1/4 × 1/4 11/16 .315 .91 .72
3400-CC 3/8 × 3/8 13/16 .438 .97 .78
3400-DD 1/2 × 1/2 1 " .562 1.25 1.03
3400-EE 3/4 × 3/4 1-1/4 .750 1.38 1.12

Ref.Sae č. 1330239

3400# Mosadzné potrubia 90 stupňov pouličné lakť je vyrobené zo všetkej mosadznej konštrukcie a kompatibilné s výcvikmi a výtvarmi; Priemyselné zariadenia, ktoré spĺňajú funkčné požiadavky SAE J530 a SAE J531; Trh: výstavba, kamión s ťažkým dňom a mobilný telefón. Obidve normy sa dodržiavajú, aby pracovali na mobilných aplikáciách, ktoré sú termoplastickým gumou (TPR), boli vyvinuté na použitie v automobilových, priemyselných a komerčných aplikáciách, v ktorých je CPVC nekompatibilný. Tento zváraný koniec 90 stupňov uličného lakťa je vhodný na použitie v hydraulických systémoch, najmä pri práci v extrémnom tlaku. Je k dispozícii v širokej škále veľkostí a má výnimočný odpor proti korózii. Toto prispôsobenie sa používa na spájanie vzduchových potrubí, ktoré pozostávajú z hadičky medi. Má uhol 90 stupňov a je vyrobený z mosadze, takže môže vydržať tvrdé poveternostné podmienky.

Kontakt s nami

O Ligy

Legy Industrial Machinery Inc.

Ako profesionálni výrobcovia mosadze v Číne a tlačenie dodávateľov tvaroviek. Prijíma úplné obrábanie CNC a vlastní oblasť dielne s rozlohou 3600 metrov štvorcových. 45 automatických strojových strojov, 35 poloautomatických strojových strojov CNC, ako aj distribútorov, ktorí sa stali dôležitými dodávateľmi pre výrobu amerických štandardných mosadzných častí v Číne ...
  • ctiť
  • ctiť

Pokyny A novinky