legines.com
3600# mosadzné armatúry vetvy tričko mosadzné potrubie

3600# mosadzné armatúry vetvy tričko mosadzné potrubie

Vlastnosti produktu: Trhy:
■■ Všetka mosadzná konštrukcia ■■ Priemyselný
■■ Spĺňa funkčné požiadavky ■■ Výstavba
SAE J530 a SAE J531 ■■ Ťažký nákladný automobil
■■ Vlákna vyrobené podľa drysálnych štandardov ■■ Mobilný
■■ K dispozícii sú výkyvy aj výpisy ■■ Továreň/automatizácia procesu

Aplikácie: kompatibilné hadičky:
■■ Vzduchové linky ■■ Meď
■■ Vodná linka ■■ Mosadz
■■ Chladiace čiar ■■ Železná potrubia

Špecifikácie:
Rozsah tlaku až do 1 000 psi
Teplotný rozsah -65 ° až 250 ° F

Typická aplikácia:
Mastnota, palivá, LP a zemný plyn, chladenie. Instrumentácia a hydraulické systémy

Zhodu:
Spĺňa špecifikácie a normy ASA, ASME a SAE.

Referenčná časť č.:
2224p -3600 -T9 -X106 -226 -329 -128 -28281 ~ 28285

Kontaktujte nás

Špecifikácie

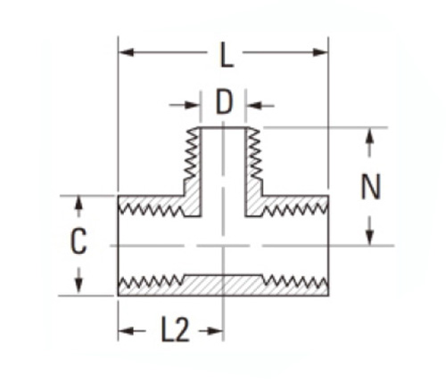
Časť# Veľkosť vlákna C D L2 N
3600-A F1/8 × M1/8 9/16 .219 1.10 .66
3600-b F1/4 × M1/4 11/16 .315 1.56 .91
3600-C F3/8 × M3/8 13/16 .438 1.68 .97
3600-D F1/2 × M1/2 1 " .562 2.18 1.25
3600-e F3/4 × M3/4 1 "-1/4 .750 2.31 1.38

*Ref.Sae č. 1330425

Kovania tričiek s ťažkými pracovnými vetvami sú vyrobené z mosadze s ťažkým rozchodom, vyrobené do štandardov SAE J530 a SAE J531. Sú k dispozícii vo výkyvoch aj vo výtvaroch, čo nám dáva všestrannosť ponúknuť našim zákazníkom širokú škálu možností. Tieto vetvy, ktoré sú vyrobené s hodnotením tlaku aj teploty, sú vhodné na použitie v prakticky v akomkoľvek priemyselnom procese. Obe značky hadičiek sa dajú úspešne používať s touto armatúrou. Tour Line of Copper & Brass Branch Tee Trplings vám poskytuje vynikajúcu kvalitu a spoľahlivý výkon v najširšom rozsahu aplikácií. Naši kvalifikovaní inžinieri vám môžu pomôcť vybrať najlepší produkt alebo navrhnúť systém, ktorý vyhovuje vašim špecifickým potrebám.

Kontakt s nami

O Ligy

Legy Industrial Machinery Inc.

Ako profesionálni výrobcovia mosadze v Číne a tlačenie dodávateľov tvaroviek. Prijíma úplné obrábanie CNC a vlastní oblasť dielne s rozlohou 3600 metrov štvorcových. 45 automatických strojových strojov, 35 poloautomatických strojových strojov CNC, ako aj distribútorov, ktorí sa stali dôležitými dodávateľmi pre výrobu amerických štandardných mosadzných častí v Číne ...
  • ctiť
  • ctiť

Pokyny A novinky