legines.com
369ptc mužský lakť otočený 90 °

369ptc mužský lakť otočený 90 °

Vlastnosti produktu:
■■ Mosadz
■■ BUNA N O-RING
■■ Podpora trubice z nehrdzavejúcej ocele
■■ Stretne sa s D.O.T. FMVSS571.106
■■ Stretne sa SAE J2494-3
■■ Kompozitné telo - silné, ľahké, kompaktné a odolné proti nárazu
■■ Konfigurácie doplnkov

Trhy:
■■ Ťažký nákladný automobil
■■ Príves
■■ Mobilný

Aplikácie:
■■ Vzduchové brzdenie
■■ Vzduchové tanky
■■ Letecká jazda
■■ Posúvače
■■ Inflácia
■■ Primárne a sekundárne línie
■■ CAB CONTROL

Kontaktujte nás

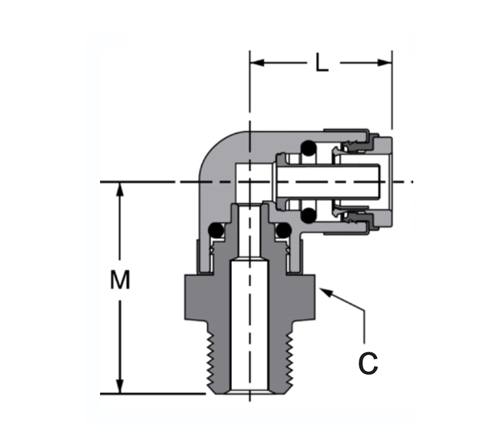
Špecifikácie

Referenčná časť č.:

Časť# Veľkosť trubice x samec NPTF C M L W.g Cena
369ptc-4a 1/4 × 1/8 9/16 .69 .69
369PTC-4B 1/4 × 1/4 9/16 .69 1.20
369PTC-4C 1/4 × 3/8 9/16 .69 1.20
369ptc-6a 3/8 × 1/8 3/4 .99 1.13
369ptc-6b 3/8 × 1/4 3/4 .99 1.28
369ptc-6c 3/8 × 3/8 3/4 .99 1.28
369ptc-6d 3/8 × 1/2 3/4 .99 1.47
369ptc-8b 1/2 × 1/4 15/16 1.11 1.39
369ptc-6c 1/2 × 3/8 15/16 1.11 1.39
369ptc-6d 1/2 × 1/2 15/16 1.11 1.58
369ptc-10c 5/8 × 3/8 1-1/16 1.33 1.60
369PTC-10D 5/8 × 1/2 1-1/16 1.33 1.79
369ptc-12d 3/4 × 1/2 1-3/16 1.52 1.89
369PTC-12E 3/4x3/4 1-3/16 1.52 1.89

Mužský lakť 369PTC je vysoko kvalitný, plne testovaný otočný konektor s kovovou kovou, Buna n O-krúžok a podpora trubice z nehrdzavejúcej ocele. Stretáva sa s D.O.T. FMVSS571.106 Normy a štandardy SAE J2494-3 pre hladkú otočnú akciu o 360 °. Konfigurácie doplnku obsahujú kompozitné telo-silné, ľahké, kompaktné a dopadové odolné.

Kontakt s nami

O Ligy

Legy Industrial Machinery Inc.

Ako profesionálni výrobcovia mosadze v Číne a tlačenie dodávateľov tvaroviek. Prijíma úplné obrábanie CNC a vlastní oblasť dielne s rozlohou 3600 metrov štvorcových. 45 automatických strojových strojov, 35 poloautomatických strojových strojov CNC, ako aj distribútorov, ktorí sa stali dôležitými dodávateľmi pre výrobu amerických štandardných mosadzných častí v Číne ...
  • ctiť
  • ctiť

Pokyny A novinky