legines.com
24 m Presto potrubie

24 m Presto potrubie

Vlastnosti produktu:
■■ Mosadz
■■ BUNA N O-RING
■■ Podpora trubice z nehrdzavejúcej ocele
■■ Stretne sa s D.O.T. FMVSS571.106
■■ Stretne sa SAE J2494-3
■■ Kompozitné telo - silné, ľahké, kompaktné a odolné proti nárazu
■■ Konfigurácie doplnkov

Trhy:
■■ Ťažký nákladný automobil
■■ Príves
■■ Mobilný

Aplikácie:
■■ Vzduchové brzdenie
■■ Vzduchové tanky
■■ Letecká jazda
■■ Posúvače
■■ Inflácia
■■ Primárne a sekundárne línie
■■ CAB CONTROL

Kontaktujte nás

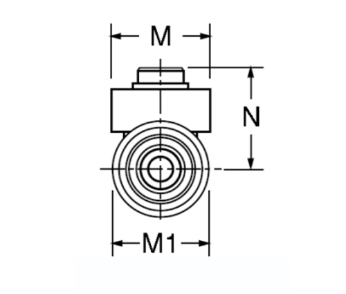
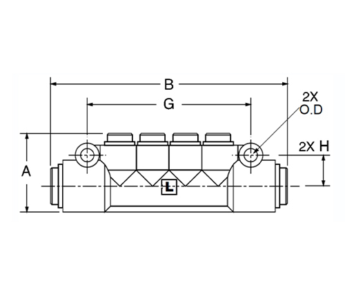
Špecifikácie

Časť

No

Trubica O.D

lesk

Trubica O.D

Odtok

A B D G H M M1 N
24 m-4-4 1/4 1/4 1.33 3.98 .21 2.75 .53 .90 .88 .89
24 m-6-4 3/8 1/4 1.33 4.00 .21 2.75 .53 .90 .88 .89
24 m-6-6 3/8 3/8 1.65 6.49 .22 4.55 .60 1.02 1.02 1.33
24 m-8-8 1/2 1/2 1.65 6.49 .22 4.55 .60 1.02 1.02 1.33
24m-8-6-4-4-6-8 1/2 3/8 a 1/4 1.65 6.49 .22 4.55 .60 1.02 1.02 1.17

24m Presto Differold je vyrobený tak, aby poskytoval ľahkú, rýchlu a spoľahlivú službu. Kompozitné telo so silnou, ľahkou, odolnou voči nárazom a kompaktným dizajnom poskytuje pevnosť a zároveň znižuje objem. 24m Presto Diverold je navrhnutý tak, aby spĺňal D.O.T FMVSS571.106, požiadavky SAE J2494-3 pre aplikácie s vysokým tlakom. Jeho možnosti plug a prehrávania umožňujú maximálnu všestrannosť v akejkoľvek aplikácii.

Kontakt s nami

O Ligy

Legy Industrial Machinery Inc.

Ako profesionálni výrobcovia mosadze v Číne a tlačenie dodávateľov tvaroviek. Prijíma úplné obrábanie CNC a vlastní oblasť dielne s rozlohou 3600 metrov štvorcových. 45 automatických strojových strojov, 35 poloautomatických strojových strojov CNC, ako aj distribútorov, ktorí sa stali dôležitými dodávateľmi pre výrobu amerických štandardných mosadzných častí v Číne ...
  • ctiť
  • ctiť

Pokyny A novinky