legines.com
1565 Push in Connect armaps lakeť

1565 Push in Connect armaps lakeť

Vlastnosti produktu:
■■ Mosadz
■■ BUNA N O-RING
■■ Podpora trubice z nehrdzavejúcej ocele
■■ Stretne sa s D.O.T. FMVSS571.106
■■ Stretne sa SAE J2494 a SAE J2494-3

Trhy:
■■ Ťažký nákladný automobil
■■ Príves
■■ Mobilný

Aplikácie:
■■ Vzduchové brzdenie
■■ Vzduchové tanky
■■ Letecká jazda
■■ Posúvače
■■ Inflácia
■■ Primárne a sekundárne línie

Kompatibilné hadičky:
■■ SAE J844 TYP A & B NYlonové trubice

Referenčná časť č.:
AQ65DOT -165PMT -1865 -DQ65DOT -1565 -DOT

Kontaktujte nás

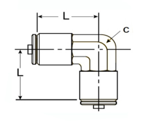
Špecifikácie

Časť# Trubica O.D C L
1565-DOT-4 1/4 3/8 .92
1565-DOT-6 3/8 1/2 .96
1565-DOT-8 1/2 5/8 1.16
1565 dot-10 5/8 11/16 1.19
1565-DOT-12 3/4 15/16 1.40

Zatlačte pripevnenie pre hadičky SAE J844 typu A, B, C a D. Používa sa s podpermi OU-RING a rúrkami z nehrdzavejúcej ocele, aby sa umožnila bezpečná inštalácia hadíc, ako sú vzduchové brzdy, vedenia posilňovača riadenia a ďalšie. Karba sa vyrába s vysoko kvalitnými materiálmi, aby sa zabezpečila správna funkčnosť a dlhá životnosť.1565 Push do lakťového kŕmenia pripájania je montáž používaná s gumovou hadicou. Má mosadznú koletu. Toto vybavenie vyrába Tusa P/N: 1565-dot.Pneumatické spojovacie armatúry sa používajú v spojení s hadičkami na vytvorenie bariérovej, trvalej alebo dočasnej montáže, ktorá využíva štandardné pneumatické komponenty.

Kontakt s nami

O Ligy

Legy Industrial Machinery Inc.

Ako profesionálni výrobcovia mosadze v Číne a tlačenie dodávateľov tvaroviek. Prijíma úplné obrábanie CNC a vlastní oblasť dielne s rozlohou 3600 metrov štvorcových. 45 automatických strojových strojov, 35 poloautomatických strojových strojov CNC, ako aj distribútorov, ktorí sa stali dôležitými dodávateľmi pre výrobu amerických štandardných mosadzných častí v Číne ...
  • ctiť
  • ctiť

Pokyny A novinky