legines.com
Z nehrdzavejúcej ocele HEX HEX BILLE 2520

Z nehrdzavejúcej ocele HEX HEX BILLE 2520

Maximálny pracovný tlak 150 psi pri 70 stupňoch F, materiál: 304 nehrdzavejúca oceľ
Tvar: Reduktorové puzdro (muž x ženy), pripojenie: NPT-NPT, meranie: voliteľné
NPT vlákno na vytváranie prísnejších tesnení ako priame vlákna
Na jednom konci má samčie NPT vlákna a na druhom závity NPT NPT na pripojenie k samiči a rúrke s závitom samcov a samčieho závitu.
Tento adaptérový tvar spája potrubia alebo armatúry s rôznymi typmi koncových typov, priemermi alebo materiálmi

Typická aplikácia:
Mastnota, chladenie, prístrojové a hydraulické systémy.

Výhody:
Dryseal Pipe Threads (BSPT (R)/BSP (G) .large rozsah veľkostí a konfigurácií

Kontaktujte nás

Špecifikácie

Časť#

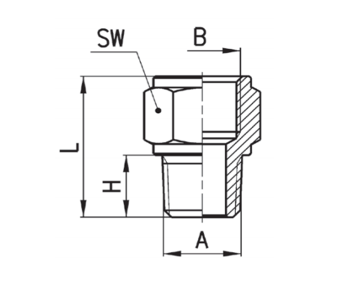
Veľkosť vlákna A × B

S.W

L

H

2520-aa

R1/8 × G1/8

13

17.5

7.5

2520-Ab

R1/8 × G1/4 17 19.0 7.5

2520-AC

R1/8 × G3/8 20 20.0

7.5

2520-bb

R1/4 × G1/4 17 22.5 11.0
2520-BC R1/4 × G3/8 20 23.5 11.0
2520-bd R1/4 × G1/2 24 27.5 11.0
2520-CC R3/8 × G3/8 20 24.0 11.5

2520-CD

R3/8 × G1/2 24 28.0 11.5

2520-DD

R1/2 × G1/2 24 30.5 14.0

Potrubie z nehrdzavejúcej ocele je flexibilný materiál, ktorý môže byť ohnutý a tvarovaný tak, aby vyhovoval mnohým rôznym typom inštalatérskych aplikácií. Bežne sa používa na prepravu kvapalín, ako je voda, vzduch, para a palivo. Jedným z najbežnejších použití potrubia z nehrdzavejúcej ocele je v komerčných kuchyniach, kde spotrebiče ako kachle majú ¾-palcové alebo 2-palcové rúry na distribúciu tepla v kuchyni. Mnoho obytných domovov tiež používa ¾-palcové medené potrubie pre svoje vonkajšie kohútiky, ktoré umožňuje rýchle prúdenie vody z prívodnej čiary do domu.

Kontakt s nami

O Ligy

Legy Industrial Machinery Inc.

Ako profesionálni výrobcovia mosadze v Číne a tlačenie dodávateľov tvaroviek. Prijíma úplné obrábanie CNC a vlastní oblasť dielne s rozlohou 3600 metrov štvorcových. 45 automatických strojových strojov, 35 poloautomatických strojových strojov CNC, ako aj distribútorov, ktorí sa stali dôležitými dodávateľmi pre výrobu amerických štandardných mosadzných častí v Číne ...
  • ctiť
  • ctiť

Pokyny A novinky