legines.com
64# Kompresné kompresné kompresné vybavenie Brass Union

64# Kompresné kompresné kompresné vybavenie Brass Union

Mosadzné únie TEE KOMPRESITY

Aplikácie: trhy:
■■ Vzduchové linky ■■ Priemyselný
■■ Mazanie ■■ Balenie
■■ Chladiace čiar ■■ Pneumatický
■■ Priemysel ■■ Tlač
■■ Strojové zariadenie
■■ Kompresory
■■ Prenos tekutín

Vlastnosti produktu:
■■ Spĺňa funkčné požiadavky SAE J-512
■■ UL uvedené pre horľavú tekutinu
■■ K dispozícii je mosadzný alebo acetálny rukáv
■■ Žiadna príprava trubice
■■ Kované a extrudované tvary

Referenčná časť č.:
64 -164C -S64 -64A

Kontaktujte nás

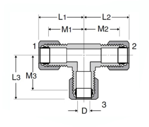
Špecifikácie

Časť#

Veľkosť trubice O.D

M

M

D

64-2

1/8

/

.53

.94

64-3

3/16

/

.59

.125

64-4

1/4

/

.627

.188

64-5

5/16

/

.65

.250

64-6

3/8

/

.73

.312

64-8

1/2

/

.94

.406

64-10

5/8

/

1.06

.500

Časť#

Veľkosť trubice

M1

M2

M3

64-4-4-6

1/4x1/4x3/8

.69

.69

.75

64-4-6-4

1/4x3/8x1/4

.69

.75

.69

64-6-6-4

3/8x3/8x1/4

.75

.75

.69

64-8-8-6

1/2x1/2x3/8

.94

.94

.81

64-10-10-8

5/8x5/8x1/2

1.06

1.06

1.06

*Ref.Sae č. 060401 ba

Naše 64 mosadzné odborové tlakové príslušenstvo sú uvedené pre horľavú tekutinu a spĺňajú funkčné požiadavky SAE J-512. K dispozícii v kovaných alebo extrudovaných tvaroch, sú k dispozícii s opracovanými aj sokketovými vláknami a buď mosadzným alebo acetálnym rukávom. K dispozícii s mosadznými alebo acetálnymi rukávmi, všetky komponenty sú navrhnuté pre ľahkú inštaláciu, takže vaša inštalácia ide hladko.

Kontakt s nami

O Ligy

Legy Industrial Machinery Inc.

Ako profesionálni výrobcovia mosadze v Číne a tlačenie dodávateľov tvaroviek. Prijíma úplné obrábanie CNC a vlastní oblasť dielne s rozlohou 3600 metrov štvorcových. 45 automatických strojových strojov, 35 poloautomatických strojových strojov CNC, ako aj distribútorov, ktorí sa stali dôležitými dodávateľmi pre výrobu amerických štandardných mosadzných častí v Číne ...
  • ctiť
  • ctiť

Pokyny A novinky