legines.com
72# mosadzné mužské spustenie kompresie

72# mosadzné mužské spustenie kompresie

Mosadzné mužské spustenie TEE KOMPRESITY

Aplikácie: trhy:
■■ Vzduchové linky ■■ Priemyselný
■■ Mazanie ■■ Balenie
■■ Chladiace čiar ■■ Pneumatický
■■ Priemysel ■■ Tlač
■■ Strojové zariadenie
■■ Kompresory
■■ Prenos tekutín

Vlastnosti produktu:
■■ Spĺňa funkčné požiadavky SAE J-512
■■ UL uvedené pre horľavú tekutinu
■■ K dispozícii je mosadzný alebo acetálny rukáv
■■ Žiadna príprava trubice
■■ Kované a extrudované tvary

71 -171c -71a -S71

Kontaktujte nás

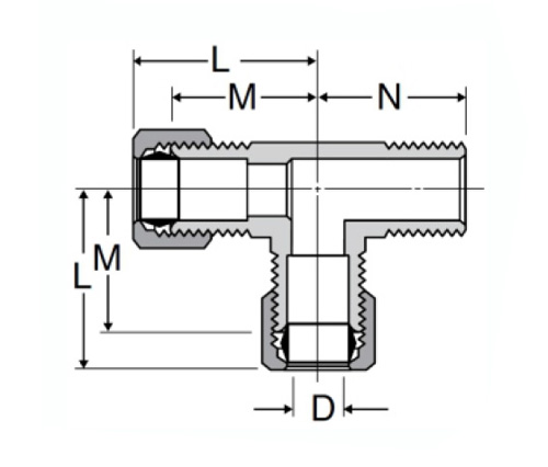
Špecifikácie

Časť#

Trubica O.D × Mužský NPTF

M

N

D

71-3a

3/16 × 1/8

.63

.69

.125

71-4a

1/4 × 1/8

.63

.75

.188

71-4b

1/4 × 1/4

.69

.88

.188

71-5A

5/16 × 1/8

.72

.75

.250

71-5b

5/16 × 1/4

.75

.88

.250

71-6a

3/8 × 1/8

.75

.75

.312

71-6b

3/8 × 1/4

.79

.87

.312

71-6c

3/8 × 3/8

.88

1.00

.330

71-8c

1/2 × 3/8

.94

1.09

.406

71-8d

1/2 × 1/2

.97

1.19

.406

71-10D

5/8 × 1/2

1.06

1.31

.500

Naše 72# mosadzné kompresné kompresné kovania spĺňajú funkčné požiadavky SAE J-512 a sú uvedené pre horľavú tekutinu. Tieto armatúry nemajú prípravu trubice a sú kované a extrudované tvary. Sú k dispozícii v rôznych materiáloch vrátane mosadze, plastu a kovového rukávu. Je vybavený mosadznou alebo acetálnou rukávou a môže sa použiť v rôznych aplikáciách, ako sú nedostatočné prevody, prevodovky a palivové systémy. Nevyžaduje sa žiadna príprava trubice.

Kontakt s nami

O Ligy

Legy Industrial Machinery Inc.

Ako profesionálni výrobcovia mosadze v Číne a tlačenie dodávateľov tvaroviek. Prijíma úplné obrábanie CNC a vlastní oblasť dielne s rozlohou 3600 metrov štvorcových. 45 automatických strojových strojov, 35 poloautomatických strojových strojov CNC, ako aj distribútorov, ktorí sa stali dôležitými dodávateľmi pre výrobu amerických štandardných mosadzných častí v Číne ...
  • ctiť
  • ctiť

Pokyny A novinky