legines.com
352 Mosadz obrátená svetlica 45 ° mužský lakeť

352 Mosadz obrátená svetlica 45 ° mužský lakeť

Vlastnosti produktu:
■■ Všetka mosadzná konštrukcia
■■ UL uvedené pre horľavú tekutinu a plyn
■■ Spĺňa funkčné požiadavky SAE J512
■■ Oceľová matica pre hospodárstvo

Trhy: Aplikácie:
■■ Klimatizácia ■■ Chladivo
■■ Morský ■■ Brzdové vedenia
■■ Mobilný ■■ Palivové vedenia
■■ Motory

Kompatibilné hadičky:
■■ Meď
■■ Mosadz
■■ Hliník
■■ Zváraná oceľová hydraulická hadička

Referenčná časť č.:
154 -2352 -259ifhd -352 -94 W

Kontaktujte nás

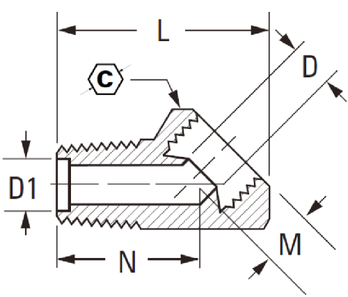
Špecifikácie

Časť#

Trubica O.D × závit

C

D

L

352-3a

3/16 × 1/8 17/32 .125 .88

352-4a

1/4 × 1/8 9/16 .188 .94

352-5A

5/16 × 1/8 5/8 .219 1.00

352-5b

5/16 × 1/4 5/8 .219 1.16

352-6b

3/8 × 1/4 25/32 .281 1.34

352-8c

1/2 × 3/8 7/8 .406 1.44

*Ref.Sae č. 040302 ba

352 mosadzný invertovaný svetlica 45 ° Mužský lakť (SAE J512) je navrhnutý na použitie pri klimatizácii, chladiacich linkách, morských a mobilných aplikáciách. Tento lakeť má pre ľahkú inštaláciu mužskú erupciu s kŕmnou maticou. Samec SAE J512 45 ° C lakte je vybudovaný zo všetkej mosadze, s výnimkou oceľovej matice, ktorá poskytuje trvanlivosť a cenovú dostupnosť.
352 mosadzný invertovaný svetlica 45 ° Mužský lakť je určený pre plyny a kvapaliny a spĺňa funkčné požiadavky SAE J512 vo veľkosti 1/8 "až 1". Meranie 0,94 ”vo vonkajšom priemere.
Táto 3-palcová rúrka a ponúka ohyb lakťa s 45 °.  Toto vybavenie je vhodné pre štandardné klimatizácie, chladenie a hydraulické aplikácie, ako aj na mobilný alebo námorný priemysel.

Kontakt s nami

O Ligy

Legy Industrial Machinery Inc.

Ako profesionálni výrobcovia mosadze v Číne a tlačenie dodávateľov tvaroviek. Prijíma úplné obrábanie CNC a vlastní oblasť dielne s rozlohou 3600 metrov štvorcových. 45 automatických strojových strojov, 35 poloautomatických strojových strojov CNC, ako aj distribútorov, ktorí sa stali dôležitými dodávateľmi pre výrobu amerických štandardných mosadzných častí v Číne ...
  • ctiť
  • ctiť

Pokyny A novinky