legines.com
402 invertované svetlice 90 ° mužské lakte

402 invertované svetlice 90 ° mužské lakte

Vlastnosti produktu:
■■ Všetka mosadzná konštrukcia
■■ UL uvedené pre horľavú tekutinu a plyn
■■ Spĺňa funkčné požiadavky SAE J512
■■ Oceľová matica pre hospodárstvo

Trhy: Aplikácie:
■■ Klimatizácia ■■ Chladivo
■■ Morský ■■ Brzdové vedenia
■■ Mobilný ■■ Palivové vedenia
■■ Motory

Kompatibilné hadičky:
■■ Meď
■■ Mosadz
■■ Hliník
■■ Zváraná oceľová hydraulická hadička

Referenčná časť č.:
4000 -2400 -2491ifhd -2491if -49W

Kontaktujte nás

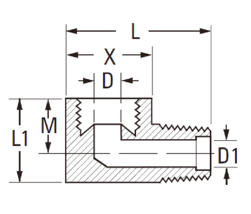
Špecifikácie

Časť#

Trubica O.D × Mužské vlákno

X

D

L

402-2a

1/8 × 1/8 .42 .078 .80

402-3a

3/16 × 1/8 .47 .125 .70

402-4a

1/4 × 1/8 .53 .188 .74

402-4b

1/4 × 1/4 .56 .188 .89

402-5A

5/16 × 1/8 .59 .219 .79

402-5b

5/16 × 1/4 .59 .220 .98

402-6a

3/8 × 1/8 .76 .281 .89

402-6b

3/8 × 1/4 .76 .281 1.03

402-6c

3/8 × 3/8 .75 .281 1.01

402-8b

1/2 × 1/4 .91 .406 1.08

402-8c

1/2 × 3/8 .92 .406 1.07
402-8d 1/2 × 1/2 .91 .406 1.26
402-10D 5/8 × 1/2 1.06 .531 1.32

*Ref.Sae č. 040202 ba

Rozplachované 90 ° lakte vám umožňujú ľahko pripojiť dve čiary v pravom uhle. Používajú sa na zmenu smeru vo vode, klimatizácii a potrubiach chladiva, brzdových potrubí a palivových potrubí. Vďaka konštrukcii a oceľovým orechom s mosadzou sú ideálne na použitie s oceľou hydraulickou gumovou hadicou.
Tento svetlica 90 ° lakť je mosadzná konštrukcia, UL uvedená pre horľavú tekutinu a plyn, spĺňa funkčné požiadavky SAE J512, 1/8 "x1/8" trubice na 1/2 "x1/2" mužské montáž. Oceľová matica pre ekonomiku spĺňajú väčšinu štandardov výrobcov výrobcov OEM.
Jedná sa o NPT mužské lakťové vybavenie, ktoré je skonštruované z mosadze a používa sa pri inštalatérstve. Toto vybavenie poskytuje lacný spôsob, ako spojiť rúry, ktoré sa vyrábajú z rôznych materiálov a veľkostí.

Kontakt s nami

O Ligy

Legy Industrial Machinery Inc.

Ako profesionálni výrobcovia mosadze v Číne a tlačenie dodávateľov tvaroviek. Prijíma úplné obrábanie CNC a vlastní oblasť dielne s rozlohou 3600 metrov štvorcových. 45 automatických strojových strojov, 35 poloautomatických strojových strojov CNC, ako aj distribútorov, ktorí sa stali dôležitými dodávateľmi pre výrobu amerických štandardných mosadzných častí v Číne ...
  • ctiť
  • ctiť

Pokyny A novinky