legines.com
252 invertované erupčné adaptéry adaptéry

252 invertované erupčné adaptéry adaptéry

Vlastnosti produktu:
■■ Všetka mosadzná konštrukcia
■■ UL uvedené pre horľavú tekutinu a plyn
■■ Spĺňa funkčné požiadavky SAE J512
■■ Oceľová matica pre hospodárstvo

Trhy: Aplikácie:
■■ Klimatizácia ■■ Chladivo
■■ Morský ■■ Brzdové vedenia
■■ Mobilný ■■ Palivové vedenia
■■ Motory

Kompatibilné hadičky:
■■ Meď
■■ Mosadz
■■ Hliník
■■ Zváraná oceľová hydraulická hadička

Referenčná časť č.:
461FHD -252 -46W

Kontaktujte nás

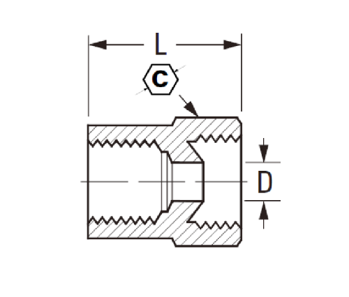
Špecifikácie

Časť#

Trubica O.D × závit

C

D

L

252-3a

3/16 × 1/8 15/32 .125 .62

252-4a

1/4 × 1/8 17/32 .188 .62

252-5b

5/16 × 1/4 19/32 .220 .70

252-6b

3/8 × 1/4 3/4 .281 .80

252-8c

1/2 × 3/8 29/32 .406 .91

*Ref.Sae č. 040103 BA

Tento mosadzný ženský erupčný adaptér má obrátenú svetlicu na použitie so štandardnými mužskými rozšírenými armatúrami. Poskytuje spoľahlivé tesnenie na zabránenie úniku a je schválená SAE J512. Oceľová matica sa odporúča pre ekonomické aplikácie, kde musí byť stále nainštalovaná lišta v krátkom čase odstránená alebo preinštalovaná.
Poskytnutie mimoriadnej všestrannosti a trvanlivosti bude séria 252 ubytovať rúry s vonkajším priemerom 3/16 ", 1/4", 5/16 "a 3/8". To zaisťuje, že je kompatibilný s prakticky so všetkými vašimi kovaniami v nádrži. Budete tiež ohromení jej odolnou konštrukciou, zabezpečením dlhého života bez ohľadu na to, koľkokrát ju používate.
Toto prispôsobenie adaptéra je navrhnuté tak, aby spájali hadičky k hadicom a ventilom. Toto vybavenie z mosadze spĺňa priemyselné normy a je určené na použitie v automobilových a morských aplikáciách.
Invertovaný adaptér s ženským adaptérom je ženská armatúra, ktorá je kompatibilná s vláknami SAE 1/2 "NPT a hadičkami SAE 3/8". Tieto zariadenia sú vyrobené z odolných materiálov a sú navrhnuté na rozsiahle použitie.

Kontakt s nami

O Ligy

Legy Industrial Machinery Inc.

Ako profesionálni výrobcovia mosadze v Číne a tlačenie dodávateľov tvaroviek. Prijíma úplné obrábanie CNC a vlastní oblasť dielne s rozlohou 3600 metrov štvorcových. 45 automatických strojových strojov, 35 poloautomatických strojových strojov CNC, ako aj distribútorov, ktorí sa stali dôležitými dodávateľmi pre výrobu amerických štandardných mosadzných častí v Číne ...
  • ctiť
  • ctiť

Pokyny A novinky