legines.com
502 invertovaný eročný únia lakeť

502 invertovaný eročný únia lakeť

Vlastnosti produktu:
■■ Všetka mosadzná konštrukcia
■■ UL uvedené pre horľavú tekutinu a plyn
■■ Spĺňa funkčné požiadavky SAE J512
■■ Oceľová matica pre hospodárstvo

Trhy: Aplikácie:
■■ Klimatizácia ■■ Chladivo
■■ Morský ■■ Brzdové vedenia
■■ Mobilný ■■ Palivové vedenia
■■ Motory

Kompatibilné hadičky:
■■ Meď
■■ Mosadz
■■ Hliník
■■ Zváraná oceľová hydraulická hadička

Referenčná časť č.:
502 -450

Kontaktujte nás

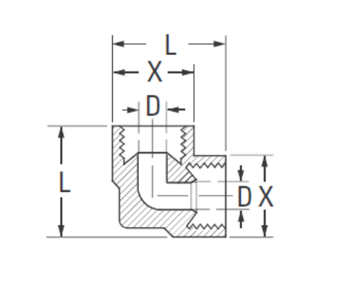
Špecifikácie

Časť#

Trubica O.D

D

M

L

502-4 1/4 .188 .53 .77
*502-5 5/16 .219 .59 .86
*502-6 3/8 .281 .72 1.04

*Nie štandard

*Ref.Sae č. 040201 ba

502 invertovaný erolný únia lakť je odborovou úniou, ktorá poskytuje univerzálne kompatibilné spojenie na hadičky na následnej strane časti časti. Má všetku mosadznú konštrukciu, je uvedená na UL pre horľavú tekutinu a plyn a spĺňa funkčné požiadavky SAE J512. Oceľová orech pre hospodárstvo, skontrolujte ref.
Tento úniový lakť je inštalatérske vybavenie používané v chladiacich a klimatizačných systémoch. Zvyčajne je spojená s meďou, striebrom alebo mosadzou. Zvonené armatúry zahŕňajú drenážne otvory, ktoré pomôžu vypustiť kondenzáciu z hadičiek.

Kontakt s nami

O Ligy

Legy Industrial Machinery Inc.

Ako profesionálni výrobcovia mosadze v Číne a tlačenie dodávateľov tvaroviek. Prijíma úplné obrábanie CNC a vlastní oblasť dielne s rozlohou 3600 metrov štvorcových. 45 automatických strojových strojov, 35 poloautomatických strojových strojov CNC, ako aj distribútorov, ktorí sa stali dôležitými dodávateľmi pre výrobu amerických štandardných mosadzných častí v Číne ...
  • ctiť
  • ctiť

Pokyny A novinky