legines.com
3152# Mosadzné tvarovky Corred Hex Prups Rúrky

3152# Mosadzné tvarovky Corred Hex Prups Rúrky

Vlastnosti produktu: Trhy:
■■ Všetka mosadzná konštrukcia ■■ Priemyselný
■■ Spĺňa funkčné požiadavky ■■ Výstavba
SAE J530 a SAE J531 ■■ Ťažký nákladný automobil
■■ Vlákna vyrobené podľa drysálnych štandardov ■■ Mobilný
■■ K dispozícii sú výkyvy aj výpisy ■■ Továreň/automatizácia procesu

Aplikácie: kompatibilné hadičky:
■■ Vzduchové linky ■■ Meď
■■ Vodná linka ■■ Mosadz
■■ Chladiace čiar ■■ Železná potrubia

Špecifikácie:
Rozsah tlaku až do 1 000 psi
Teplotný rozsah -65 ° až 250 ° F

Typická aplikácia:
Mastnota, palivá, LP a zemný plyn, chladenie. Instrumentácia a hydraulické systémy

Zhodu:
Spĺňa špecifikácie a normy ASA, ASME a SAE.

Referenčná časť č.:
218p -3152 -121a -103 -121b -PPH -218p

Kontaktujte nás

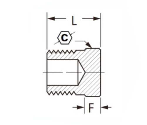
Špecifikácie

Časť#

Veľkosť vlákna

C

F

L

3152-a

1/8

7/16

.19

.55

3152-B

1/4

9/16

.18

.62

3152-C

3/8

11/16

.22

.72

3152-D

1/2

7/8

.39

.87

3152-e

3/4

1-1/16

.56

.94

3152# Mosadzné tvarovky Corred Hex Pruženia potrubia - tento produkt obsahuje mosadznú konštrukciu, priemyselné aplikácie a dostupné výkyvy a výťažky. Tieto hexové zástrčky boli vyrobené podľa štandardov vlákien SAE J530/J531 podľa špecifikácií Dryseal. Sú kompatibilné s 1/8 "NPT stočeným hadičkou a mosadznou hadičkou. Sú tiež kompatibilné s inými materiálmi, teplotnými rozsahmi a tlakovými rozsahmi. Je to šesťhranná zástrčka s hexovým koncom, takže sa dá ľahko nainštalovať do hexagonálneho potrubia a má široký rozsah použitia, ako je priemyselná výroba automatizácia a mobilné vybavenie. Tlakový rozsah. Tolerancia je 3Hungry-MidSize Castless Grater pre prípravu potravín (výber farby) palce (0-002 palca).

Kontakt s nami

O Ligy

Legy Industrial Machinery Inc.

Ako profesionálni výrobcovia mosadze v Číne a tlačenie dodávateľov tvaroviek. Prijíma úplné obrábanie CNC a vlastní oblasť dielne s rozlohou 3600 metrov štvorcových. 45 automatických strojových strojov, 35 poloautomatických strojových strojov CNC, ako aj distribútorov, ktorí sa stali dôležitými dodávateľmi pre výrobu amerických štandardných mosadzných častí v Číne ...
  • ctiť
  • ctiť

Pokyny A novinky