legines.com
3350# 45 stupňov Street Lett Brass Mosads

3350# 45 stupňov Street Lett Brass Mosads

Vlastnosti produktu: Trhy:
■■ Všetka mosadzná konštrukcia ■■ Priemyselný
■■ Spĺňa funkčné požiadavky ■■ Výstavba
SAE J530 a SAE J531 ■■ Ťažký nákladný automobil
■■ Vlákna vyrobené podľa drysálnych štandardov ■■ Mobilný
■■ K dispozícii sú výkyvy aj výpisy ■■ Továreň/automatizácia procesu

Aplikácie: kompatibilné hadičky:
■■ Vzduchové linky ■■ Meď
■■ Vodná linka ■■ Mosadz
■■ Chladiace čiar ■■ Železná potrubia

Špecifikácie:
Rozsah tlaku až do 1 000 psi
Teplotný rozsah -65 ° až 250 ° F

Typická aplikácia:
Mastnota, palivá, LP a zemný plyn, chladenie. Instrumentácia a hydraulické systémy

Zhodu:
Spĺňa špecifikácie a normy ASA, ASME a SAE.

Referenčná časť č.:
306 -3350 -2214p -224 -124a

Kontaktujte nás

Špecifikácie

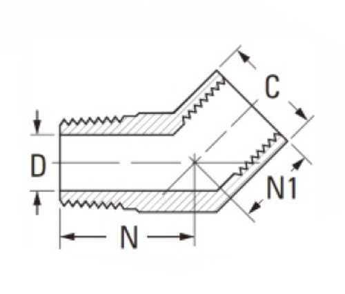
Časť# Veľkosť vlákna C D N N1
3350-A 1/8 × 1/8 9/16 .219 .50 .38
3350-b 1/4 × 1/4 11/16 .315 .74 .56
3350-c 3/8 × 3/8 13/16 .438 .78 .56
3350-D 1/2 × 1/2 1 " .562 1.00 .76
3350-e 3/4 × 3/4 1 "-1/4 .750 1.06 .75

*Ref.Sae č. 133039

3350 je kovanie v tvare 45 stupňov ulíc. Kartu je vyrobená tak, aby sa používala s rôznymi materiálmi na potrubie a vydrží až 1 000 psi. Má tiež rozsah prevádzkovej teploty medzi -65 ° a 250 ° F. Tour 45 stupňov uličných lakťových potrubí, ktoré sú vyrobené podľa vašich presných špecifikácií nášho tímu skúsených výrobcov. Ulicový lakť je potrubie, ktoré má na jednom konci dve rúrkové závity a druhý koniec má v potrubí 90 ° ohyb. Lestáky na ulici sa používajú v mnohých rôznych odvetviach od inštalatérskeho popravy po prepravu. Ulice sa vyrábajú v konfigurácii samíc alebo mužov, aby sa zvýšil prietok tekutín alebo plynov v rôznych tlakoch, teplotách a veľkosti liniek podľa potreby zákazníka.

Kontakt s nami

O Ligy

Legy Industrial Machinery Inc.

Ako profesionálni výrobcovia mosadze v Číne a tlačenie dodávateľov tvaroviek. Prijíma úplné obrábanie CNC a vlastní oblasť dielne s rozlohou 3600 metrov štvorcových. 45 automatických strojových strojov, 35 poloautomatických strojových strojov CNC, ako aj distribútorov, ktorí sa stali dôležitými dodávateľmi pre výrobu amerických štandardných mosadzných častí v Číne ...
  • ctiť
  • ctiť

Pokyny A novinky