legines.com
3500# mosadzné armatúry 90 stupňov lakťa potrubia

3500# mosadzné armatúry 90 stupňov lakťa potrubia

Vlastnosti produktu: Trhy:
■■ Všetka mosadzná konštrukcia ■■ Priemyselný
■■ Spĺňa funkčné požiadavky ■■ Výstavba
SAE J530 a SAE J531 ■■ Ťažký nákladný automobil
■■ Vlákna vyrobené podľa drysálnych štandardov ■■ Mobilný
■■ K dispozícii sú výkyvy aj výpisy ■■ Továreň/automatizácia procesu

Aplikácie: kompatibilné hadičky:
■■ Vzduchové linky ■■ Meď
■■ Vodná linka ■■ Mosadz
■■ Chladiace čiar ■■ Železná potrubia

Špecifikácie:
Rozsah tlaku až do 1 000 psi
Teplotný rozsah -65 ° až 250 ° F

Typická aplikácia:
Mastnota, palivá, LP a zemný plyn, chladenie. Instrumentácia a hydraulické systémy

Zhodu:
Spĺňa špecifikácie a normy ASA, ASME a SAE.

Referenčná časť č.:
2200p -3500 -302 -200 -28001 až 28005 -100

Kontaktujte nás

Špecifikácie

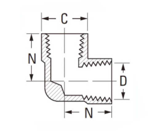
Časť# Veľkosť vlákna C D N N
3500-A 1/8 × 1/8 9/16 .219 .66 .47
3500-b 1/4 × 1/4 11/16 .315 .91 .72
3500-c 3/8 × 3/8 13/16 .438 .97 .78
3500-D 1/2 × 1/2 1 " .562 1.25 1.03
3500-e 3/4 × 3/4 1 "-1/4 .750 1.38 1.12

Ref.Sae č. 1330238

Vyrobené z mosadze, naše 90-stupňové lakte sa vyrábajú, aby vyhovovali potrebám priemyselných a stavebných aplikácií. Kompovaná mosadz je odolnejšia, ťažšie a menej pravdepodobné, že sa ohýba ako extrudované výrobky. Naše bronzové armatúry majú tiež lepšiu odolnosť voči šoku a vibráciám. Ponúkame kované a extrudované potrubia pre projekty vo všetkých priemyselných aplikáciách vrátane vzduchových liniek, vodných potrubí, chladiacich potrubí a ďalších. Mosadzné armatúry sa vyrábajú s normami najvyššej kvality. Od procesu kovania po závity a ukončenie konca sa každá fáza kontroluje presnými nástrojmi. Tieto príslušenstvo spĺňajú funkčné požiadavky SAE J530 a SAE J531, pričom sú kompatibilné s SAE Standard SAE J514 a ASME B16.21. Tour 90 stupňov lakte sa vyrába z vysoko kvalitnej mosadze, poskytujúc silnú a truhodnú štruktúru. Ponúkame možnosti montáže továrne aj nákladných vozidiel s dvoma rôznymi konfiguráciami Barb, aby sa prispôsobili veľkým veľkostiam hadičiek. Či už hľadáte náhradu alebo chcete upgradovať svoj systém, môžu pomôcť Crouse-Hinds.

Kontakt s nami

O Ligy

Legy Industrial Machinery Inc.

Ako profesionálni výrobcovia mosadze v Číne a tlačenie dodávateľov tvaroviek. Prijíma úplné obrábanie CNC a vlastní oblasť dielne s rozlohou 3600 metrov štvorcových. 45 automatických strojových strojov, 35 poloautomatických strojových strojov CNC, ako aj distribútorov, ktorí sa stali dôležitými dodávateľmi pre výrobu amerických štandardných mosadzných častí v Číne ...
  • ctiť
  • ctiť

Pokyny A novinky