legines.com
1570 D.O.T 90 ° Adaptér lakťa

1570 D.O.T 90 ° Adaptér lakťa

Vlastnosti produktu:
■■ Mosadz
■■ BUNA N O-RING
■■ Podpora trubice z nehrdzavejúcej ocele
■■ Stretne sa s D.O.T. FMVSS571.106
■■ Stretne sa SAE J2494 a SAE J2494-3

Trhy:
■■ Ťažký nákladný automobil
■■ Príves
■■ Mobilný

Aplikácie:
■■ Vzduchové brzdenie
■■ Vzduchové tanky
■■ Letecká jazda
■■ Posúvače
■■ Inflácia
■■ Primárne a sekundárne línie

Kompatibilné hadičky:
■■ SAE J844 TYP A & B NYlonové trubice

Referenčná časť č.:
AQ70DOT -170pmt -1870 -DQ70DOT -1570DOT

Kontaktujte nás

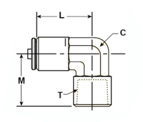
Špecifikácie

Časť#

Trubica o.d × femlae nptf

C

M

L

1570-DOT-4A

1/4 × 1/8

3/8

.82

.92

1570 dot-4b

1/4 × 1/4

1/2

.94

.102

1570-DOT-4C

1/4 × 3/8

5/8

.98

1.11

1570-DOT-6B

3/8 × 1/4

1/2

.94

.96

1570-DOT-6C

3/8 × 3/8

5/8

.91

.98

1570-DOT-8D

1/2 × 1/2

5/8

1.21

1.14

Adaptér SAE J1570 DOT 90 ° Lesto adaptér je vybavený mosadzným colletom a BUNA N TYPE O-RING pre uchytenie bez úniku a ľahkej inštalácie, zatiaľ čo podpora trubice z nehrdzavejúcej ocele zaisťuje trvanlivosť. Stretáva sa s D.O.T. Požiadavky, splnenie FMVSS571.106, SAE J2494 a SAE J2494-3 Špecifikácie na použitie s SAE J844 Type A & B nylonové hadičky v ťažkých nákladných vozidlách, prívesné a mobilné aplikácie. THO 90 ° BRUSOVÝ ADAPTÁR je pevným spojením medzi dvoma kusmi 3/16 SAE Air Brake Brain. Nízko profilový dizajn tohto adaptéra mu umožňuje zmestiť sa do tesných priestorov, pričom je stále dostatočne silný na to, aby splnil špecifikáciu bodov. Tento mosadzný lakť je navrhnutý tak, aby bol namontovaný na koniec vašich vzduchových liniek, čo im umožňuje otáčať rohy na tesných miestach. Je vyrobený z materiálov odolných voči korózii a obsahuje podpornú trubicu z nehrdzavejúcej ocele, ktorá ju udržuje robustná.

Kontakt s nami

O Ligy

Legy Industrial Machinery Inc.

Ako profesionálni výrobcovia mosadze v Číne a tlačenie dodávateľov tvaroviek. Prijíma úplné obrábanie CNC a vlastní oblasť dielne s rozlohou 3600 metrov štvorcových. 45 automatických strojových strojov, 35 poloautomatických strojových strojov CNC, ako aj distribútorov, ktorí sa stali dôležitými dodávateľmi pre výrobu amerických štandardných mosadzných častí v Číne ...
  • ctiť
  • ctiť

Pokyny A novinky